气动阀门 气动球阀 气动高平台球阀 气动法兰球阀 参数 图片
发布时间:2020-10-06
气动高平台球阀
阀门型号:Q641F,Q641H
通径规格:DN15~DN300
结构形式:浮动直通式
阀体材质:铸钢WCB、不锈钢304、不锈钢316
公称压力:PN16、PN25、PN40
适用温度:-30℃-350℃
应用范围:水、油品、气体、腐蚀性介质等
产品特点:高带平台设计,便于安装,结构简单,紧密可靠
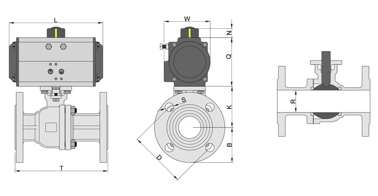
气动高平台球阀尺寸

气动高平台球阀概述:
气动高平台球阀采用高平台ISO5211标准设计,是为了方便球阀安装驱动装置而设置的连接盘,可与执行器直接进行安装,无需再上支架,而普通球阀在与执行器连接之间则需要有一个支架和连接轴支撑。气动高平台球阀具有流通阻力小,流通量大等特点,不仅能做开关截断,也可用于调节流量使用,选用不同材质的阀体和阀座,可用于不同工况。由于高平台球阀与气动执行器之间距离较短,所以不适合用于介质温度过高的场合,避免因为高温而损坏执行器。
气动高平台球阀特点:
1、采用高带平台设计,执行器与球阀连接无需支架与连接轴,便于安装。
2、结构简单、紧密可靠,不需要在增加连接部件,提高产品运行的稳定性。
3、操作方便,开闭迅速,从全开到全关只要旋转90°,便于远距离的控制。
4、在全开或全闭时,球体和阀座的密封面与介质隔离,介质通过时,不会引起阀门密封面的侵蚀。
气动高平台球阀技术参数:
公称通径
DN15~DN300(mm)
公称压力
1.6、2.5、4.0MPa
连接形式
法兰式
结构形式
浮动直通式(高平台阀体)
驱动形式
压缩空气4-7bar(可带手动)
动作范围
0~90°
阀芯结构
浮动"O"型阀芯
阀体材质
铸钢WCB、不锈钢304、316、316L
密封材料
PTFE、PPL(-30℃-180℃)
使用介质
水、油品、气体、腐蚀性介质等
控制方式
开关式(快速两位切断)、调节型(阀门定位器4~20mA信号)
气动高平台球阀阀体结构图:
气动高平台球阀工作原理:
气动高平台球阀是以压缩空气为动力源,以气缸为执行器,并借助于电气阀门定位器、转换器、电磁阀、保位阀等附件去驱动阀门,实现开关量或比例式调节,接收工业自动化控制系统的控制信号来完成调节管道介质的流量、压力、温度等各种工艺参数。其中气动执行器可分为单作用和双作用,单作用执行器具有弹簧复位的功能,可在失去气源货发生故障时自动复位到初始状态。
